客服電話:021-64396125 52707212
電子郵箱:sales@sh-nemoto.com
中文版
English
中文版
English
首頁
關于我們
公司簡介
公司榮譽
産品介紹
民用氣體傳感器
工業用氣體傳感器
商用氣體傳感器
産品應用
民用傳感器應用
工業用傳感器應用
商業用傳感器應用
根本集團
集團概要
根本技術
新聞中心
公司新聞
行業新聞
聯系我們
聯系我們
在線留言
首頁
關于我們
産品介紹
産品應用
根本集團
新聞中心
聯系我們
技術資料
催化燃燒式氣體傳感器
電化學(xué)式氣體傳感器
燃料電池專用氣體傳感器
燃氣熱水器專用傳感器
網站首頁
>
關于我們
>
網站首頁
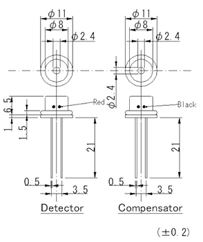
NC-170